CP200B是一款采用电池供电的便携式X射线机,重量12.5kg;可以在不同环境使用,采用高频X射线机,可以用于DR成像,设计用于警用爆炸物检测、工业无损检测、安防检测、通用X射线分析等。

| CP200B | |||
| 射线机辐射方向 | 定向 | 焦点尺寸 | 0.8mm |
| 输出电压范围 | 40-200kV | 管电流范围 | 0.1-1.5mA |
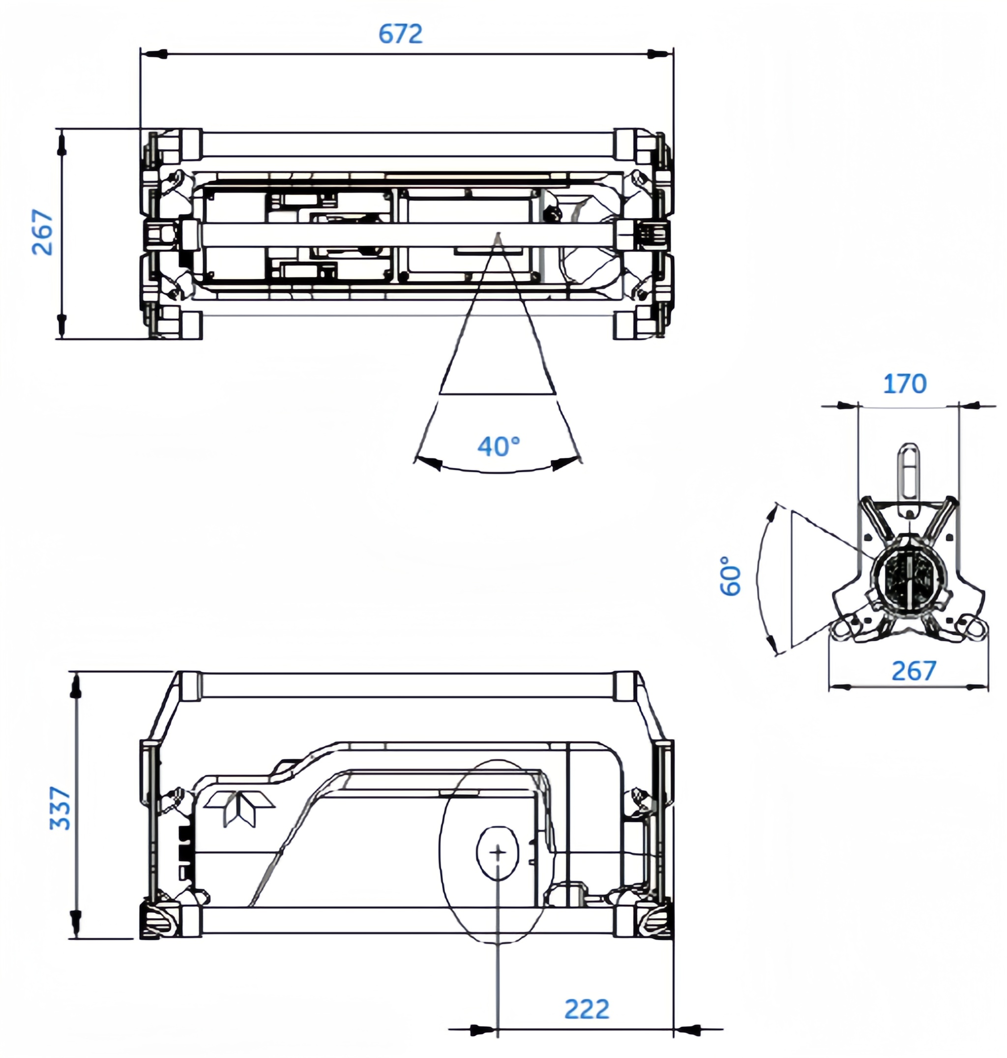
| 满负荷输出时的电流值 | 1.5mA | 尺寸 | 672×267×337mm |
| 阳极最大功率 | 300W | 重量 | 12.5kg |
| 最大辐射角度 | 40°×60° | ||
| 端环 | 2 | IP等级 | IP65 |
| 钢铁穿透厚度 | 33mm | 恒电位模式 | 是 |
| 固有滤波 | 0.8(铜) Equiv.3.5(铝) | 供电 | Dewalt 54V电池 |
| 30℃时工作循环周期 | 100% | 使用温度 | -30℃~60℃ |
| 最大输出1米处泄露计量 | <2mSv/h | 储存温度 | -40℃~80℃ |
