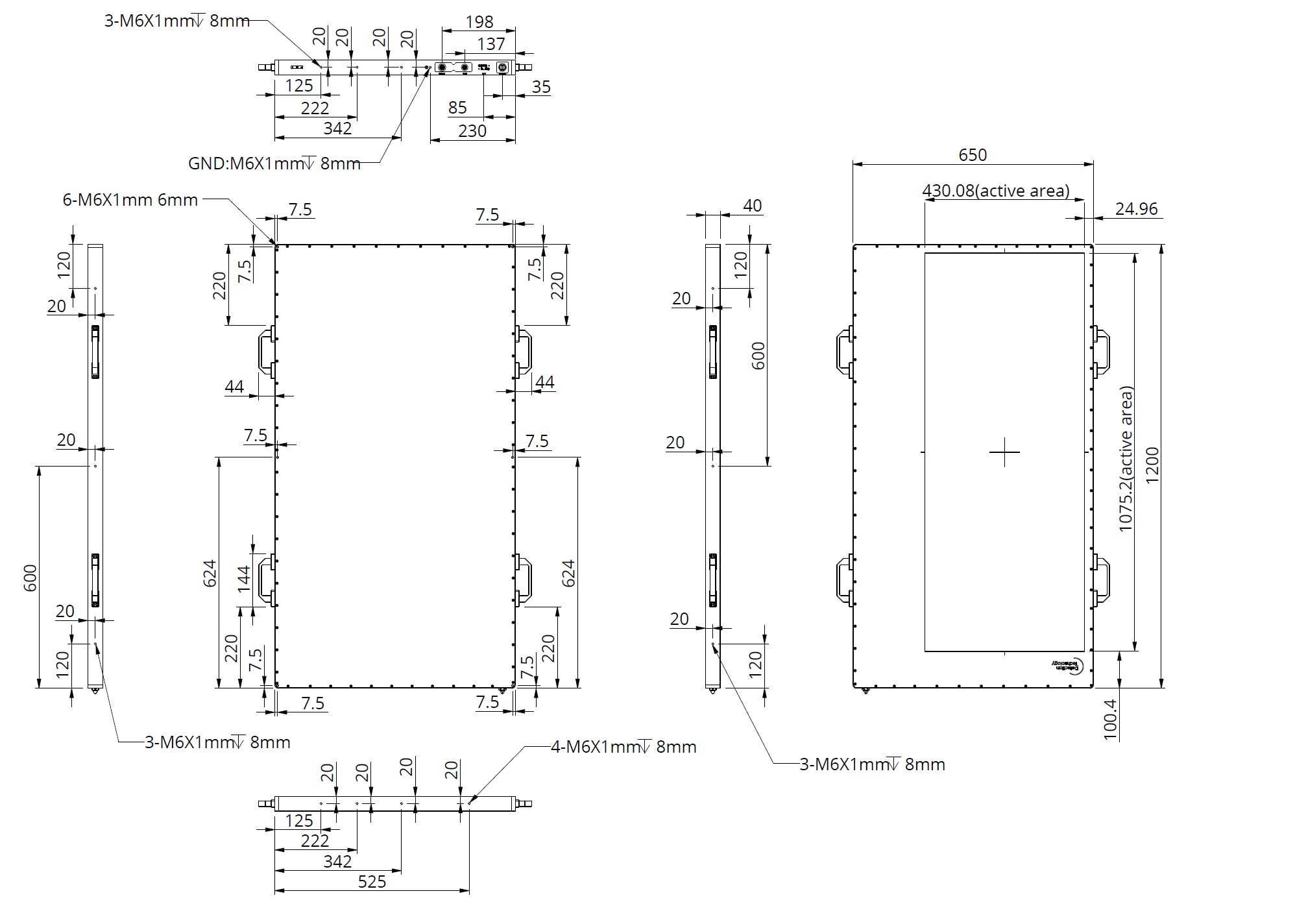
NDT43108HE是新一代高分辨率430mm×1075mm动态平板探测器。它采用像素尺寸为140 μm像素,闪烁体采用DRZ,更高的图像细节表现力与续航能力。

| NDT43108HE | |||
| 探测器类型 | 非晶硅TFT | 读出模式 | 7.5fps(1×1);15fps(2×2);22.5fps(3×3);30fps(4×4) |
| 闪烁体类型 | DRZ | 动态范围 | ≧82dB |
| 像素尺寸 | 140μm | 能量范围 | 40kV-16MeV |
| 成像面积 | 430mm×1075mm | 尺寸 | 1200mm×650mm×40mm |
| 像素矩阵 | 3072×7680 | 重量 | 35kg |
| AD转换位数 | 16bit | 功耗 | 35W |
| 触发模式 | 脉冲同步 | 供电方式 | 交流/DC |
| 数据接口 | 10G以太网/光纤 | 使用环境 | 温度:10℃到35℃ |
| 储存环境 | 温度:-10℃到50℃ | ||
