CP200B is a battery powered portable X-ray machine with weight of 12.5kg. It can be used in different environments. It can be used in high frequency X-ray machine for DR imaging. It is designed for detection of explosives for police, industrial nondestructive testing, security inspection, general X-ray analysis, etc.

| CP200B | |||
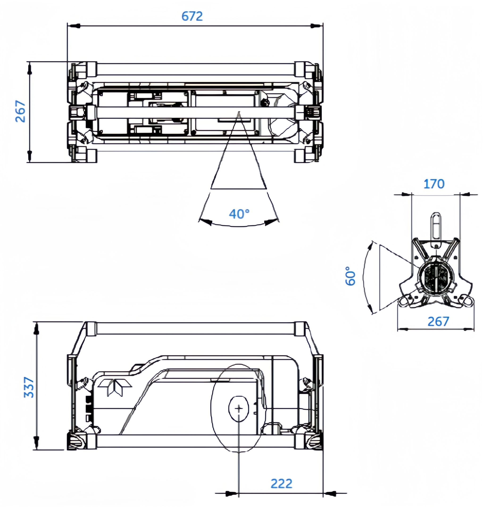
| Maximum radiation angle | 40°×60° | Focal spot size | 0.8mm |
| Voltage range | 40-200kV | Tube current range | 0.1-1.5mA |
| Current value at full load output | 1.5mA | Size | 672×267×337mm |
| Maximum anode power | 300W | WeIght | 12.5kg |
| End Ring | 2 | IP | IP65 |
| Steel penetration thickness | 33mm | Constant potential mode | Constant potential |
| Inherent filtering | 0.8(Copper) Equiv.3.5(Aluminum) | Power supply | Dewalt 54V battery |
| Operating cycle at 30 ℃ | 100% | Service temperature | -30℃~60℃ |
| Leakage measurement at 1m of maximum output | <2mSv/h | Storage temperature | -40℃~80℃ |
